超音波深さ測定機(測深機)/品番 MF28FD700H
■非接触で水底計測
水底に対して非接触で水深計測が出来るため、あらゆる現場で活躍
■パソコン用出力を標準装備
RS-232-Cを標準搭載し、パソコンでデータ出力可能
超音波深さ測定機(測深機)
品番 MF28FD700H
価格 \94,000-
■用途
●河川・湖・沼・海等の水深計測
●ダムの深さ計測(船底に製品取付)
●工事現場の水深計測
■ダムの深さ計測(船底に製品取付)

■工事現場の水深計測

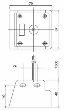
■寸法図
| センサー | 本体 |
![]() |
![]() |
■仕様
| 品番 | MF28FD700H | ||
| チャンネル数 | 1CH | ||
| 周波数 | 200kHz | ||
| 測定対象 | 水底 | ||
| 距離測定範囲 | 0.5~99.9m *計測場所により異なります。 |
||
| 分解能 | 1cm | ||
| 精度 | ±2%F.S. (±2m) |
||
| データ更新周期 | 0.33秒 | ||
| センサ指向角 (音圧半減全角) |
15° | ||
| 電源 | 電圧 | DC12~24V | |
| 消費電力 | 3W | ||
| 表示 | 3桁LED | ||
| 出力 | 4-20mA電流出力 (最大負荷抵抗) |
8bit RL(MAX)=300Ω |
|
| インターフェース | RS-232-C(伝送距離:10m以内) | ||
| 本体 | センサ | |
| 使用周囲温度 | -20~60℃ | |
| 材質 | アルミケース | クロロプレンゴム ABS |
| 保護規格 | IP40 | IP66 |
| 外形寸法(W×D×H) | 100×55×77.4mm | 55×70×50mm |
| センサケーブル長 | - | 7.5m |
| 最大許容センサケーブル長 | - | 7.5m |
| 配線ケーブル長 | 10m | - |
| 質量 | 200g | 200g |
| 取付ネジ | ビス取付 | |


